| Estado de Disponibilidad: | |
|---|---|
| Cantidad: | |
LSD4021A/B
LITEKEY
8531200000
Alfanumérico de dos dígitos de 0,40 pulgadas Pantalla LED SMD
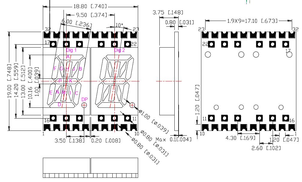
1. Diagrama de dimensiones exteriores y circuito interno
Notas:
Todas las dimensiones están en milímetros (pulgadas) y la tolerancia es de 0,25 mm (0,010) a menos que se indique lo contrario.
2. Guía de selección
Número de pieza | Chip | Iv@IF=20mA | ||||
Común Ánodo | Común Cátodo | Material | Color | WLD | Por ficha | |
Mín. | Tipo. | |||||
LSD4021BR-G | LSD4021AR-G | AlGaInP | Súper rojo | 640 | - | 8 |
LSD4021BUR-G | LSD4021AUR-G | AlGaInP | ultra rojo | 620 | - | 15 |
LSD4021BO-G | LSD4021AO-G | AlGaInP | Naranja | 605 | - | 40 |
LSD4021BY-G | LSD4021AY-G | AlGaInP | Amarillo | 580 | - | 50 |
LSD4021BG-G | LSD4021AG-G | AlGaInP | Verde | 570 | - | 16 |
LSD4021BPG-G | LSD4021APG-G | InGaN | Verde puro | 520 | - | 35 |
LSD4021BB-G | LSD4021AB-G | InGaN | Azul | 470 | - | 25 |
LSD4021BR-G | LSD4021AR-G | InGaN | Blanco | x0,27/y0,25 | - | 60 |
Unidad: | \ | \ | \ | Nuevo Méjico | mcd | mcd |
3. Características eléctricas y clasificaciones máximas absolutas
Parámetro | Eléctrico Características ópticas[1] | Absoluto Calificaciones máximas[1] | ||||
color emitido | voltaje directo @ SI = 20 mA | Contrarrestar | Fuerza Disipación | CC adelante Actual | Pico hacia adelante Actual[2] | |
Por ficha | Tipo. | Máx. | ||||
Súper rojo | 2.0 | 2.6 | 30 | 60 | 20 | 100 |
ultra rojo | 2.0 | 2.6 | 30 | 65 | 20 | 100 |
Naranja | 2.0 | 2.6 | 30 | 65 | 20 | 100 |
Amarillo | 2.0 | 2.6 | 30 | 65 | 20 | 100 |
Verde | 2.0 | 2.6 | 30 | 75 | 20 | 100 |
Verde puro | 3.0 | 3.6 | 30 | 85 | 20 | 100 |
Azul | 3.0 | 3.6 | 30 | 85 | 20 | 100 |
Blanco | 3.0 | 3.6 | 30 | 85 | 20 | 100 |
Unidad: | V | V | ua | mW | mamá | mamá |
4. Aplicación de Pantalla LED de montaje en superficie(Pantalla LED SMD)
﹒Electrodomésticos.
﹒Paneles de instrumentos.
﹒Pantallas de lectura digitales.
Contáctenos para más detalles.
Nuestros Servicios/Por qué elegir LITEKEY
1. Servicio profesional: Respondido dentro de las 24 horas (en días laborables).
2. Se encuentran disponibles varias molduras de lámpara LED listas para usar: no es necesario pagar una tarifa adicional por las molduras.
3. También podemos proporcionar productos personalizados y diseñarlos de acuerdo con su demanda.
4. Calidad confiable y estable: 100% de pruebas para cada pieza. Máquina automática de prueba y selección de códigos de bin.
5. Experiencia: produce componentes LED desde hace más de 14 años.
6. Equipo avanzado: máquinas de producción automática ASM (la marca más grande en máquinas automáticas LED)
7. Concentración: Nos centramos en la investigación y el desarrollo, la producción y las ventas de LED.
Alfanumérico de dos dígitos de 0,40 pulgadas Pantalla LED SMD
1. Diagrama de dimensiones exteriores y circuito interno
Notas:
Todas las dimensiones están en milímetros (pulgadas) y la tolerancia es de 0,25 mm (0,010) a menos que se indique lo contrario.
2. Guía de selección
Número de pieza | Chip | Iv@IF=20mA | ||||
Común Ánodo | Común Cátodo | Material | Color | WLD | Por ficha | |
Mín. | Tipo. | |||||
LSD4021BR-G | LSD4021AR-G | AlGaInP | Súper rojo | 640 | - | 8 |
LSD4021BUR-G | LSD4021AUR-G | AlGaInP | ultra rojo | 620 | - | 15 |
LSD4021BO-G | LSD4021AO-G | AlGaInP | Naranja | 605 | - | 40 |
LSD4021BY-G | LSD4021AY-G | AlGaInP | Amarillo | 580 | - | 50 |
LSD4021BG-G | LSD4021AG-G | AlGaInP | Verde | 570 | - | 16 |
LSD4021BPG-G | LSD4021APG-G | InGaN | Verde puro | 520 | - | 35 |
LSD4021BB-G | LSD4021AB-G | InGaN | Azul | 470 | - | 25 |
LSD4021BR-G | LSD4021AR-G | InGaN | Blanco | x0,27/y0,25 | - | 60 |
Unidad: | \ | \ | \ | Nuevo Méjico | mcd | mcd |
3. Características eléctricas y clasificaciones máximas absolutas
Parámetro | Eléctrico Características ópticas[1] | Absoluto Calificaciones máximas[1] | ||||
color emitido | voltaje directo @ SI = 20 mA | Contrarrestar | Fuerza Disipación | CC adelante Actual | Pico hacia adelante Actual[2] | |
Por ficha | Tipo. | Máx. | ||||
Súper rojo | 2.0 | 2.6 | 30 | 60 | 20 | 100 |
ultra rojo | 2.0 | 2.6 | 30 | 65 | 20 | 100 |
Naranja | 2.0 | 2.6 | 30 | 65 | 20 | 100 |
Amarillo | 2.0 | 2.6 | 30 | 65 | 20 | 100 |
Verde | 2.0 | 2.6 | 30 | 75 | 20 | 100 |
Verde puro | 3.0 | 3.6 | 30 | 85 | 20 | 100 |
Azul | 3.0 | 3.6 | 30 | 85 | 20 | 100 |
Blanco | 3.0 | 3.6 | 30 | 85 | 20 | 100 |
Unidad: | V | V | ua | mW | mamá | mamá |
4. Aplicación de Pantalla LED de montaje en superficie(Pantalla LED SMD)
﹒Electrodomésticos.
﹒Paneles de instrumentos.
﹒Pantallas de lectura digitales.
Contáctenos para más detalles.
Nuestros Servicios/Por qué elegir LITEKEY
1. Servicio profesional: Respondido dentro de las 24 horas (en días laborables).
2. Se encuentran disponibles varias molduras de lámpara LED listas para usar: no es necesario pagar una tarifa adicional por las molduras.
3. También podemos proporcionar productos personalizados y diseñarlos de acuerdo con su demanda.
4. Calidad confiable y estable: 100% de pruebas para cada pieza. Máquina automática de prueba y selección de códigos de bin.
5. Experiencia: produce componentes LED desde hace más de 14 años.
6. Equipo avanzado: máquinas de producción automática ASM (la marca más grande en máquinas automáticas LED)
7. Concentración: Nos centramos en la investigación y el desarrollo, la producción y las ventas de LED.
Condición SMT recomendada:
NOTAS:
1.Nosotros recomendar el reflujo temperatura 245°C(±5°C).El Máximo soldadura temperatura debería ser limitado a 260°C.
2.No lo hagas causa estrés a el epoxy resina mientras él es expuesto a alto temperatura.
3. Número de reflujo proceso deber ser 2 veces o menos.
Condición SMT recomendada:
NOTAS:
1.Nosotros recomendar el reflujo temperatura 245°C(±5°C).El Máximo soldadura temperatura debería ser limitado a 260°C.
2.No lo hagas causa estrés a el epoxy resina mientras él es expuesto a alto temperatura.
3. Número de reflujo proceso deber ser 2 veces o menos.