| Estado de Disponibilidad: | |
|---|---|
| Cantidad: | |
LL553PW1M120-1500
LITEKEY
8541401000
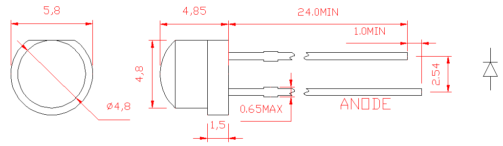
Lámpara LED de sombrero de paja blanca de 5 mm (LL553PW1M120-1500)
·Dimensiones del paquete
·Guía de selección
Número de pieza | Dados | Color de la lente | Iv(mcd)(SI=20mA) | Ángulo de visión (2θ½) | |||
Materia prima | Color emitido | MÍNIMO | TIPO | MÁXIMO | |||
LL553PW1M120-1500 | InGaN | Blanco | Lechoso | 1000 | 1500 | --- | 120º |
·Clasificaciones máximas absolutas (Ta = 25 ℃)
Artículo | Símbolo | Máximo | Unidad |
Disipación de energía | PD | 90 | mW |
Corriente directa máxima (1/10 ciclo de trabajo 0,1 ms de ancho de pulso) | IFP | 100 | mamá |
Corriente directa | IFmáx | 25 | mamá |
voltaje inverso | VR | 5 | V |
Descarga electrostática | ESD | 1000 | V |
Rango de temperatura de funcionamiento | Topr/Tstg | -40 a +85 ℃ | |
Rango de temperatura de almacenamiento | Topr/Tstg | -40 a +100 ℃ | |
NOTAS:
1. Todas las dimensiones están en milímetros (pulgadas);
2. La tolerancia es ±0,25 mm (0,01˝) a menos que se especifique lo contrario; La tolerancia de la intensidad luminosa es ±10%;
3. La tolerancia de longitud de onda de emisión dominante es de ±1 nm; Las especificaciones están sujetas a cambios sin previo aviso.
·Características Eléctricas/Ópticas(Ta=25Cº)
Artículo | Símbolo | Mín. | Tipo. | Máx. | Unidad | Condition |
Coordenadas | X | - | 0.31 | - | -- | SI=20mA |
Y | - | 0.30 | - | -- | SI=20mA | |
Temperatura de color | Connecticut | 5000 | 7000 | 9000 | K | SI=20mA |
voltaje directo | VF | - | 3.0 | 3.5 | V | SI=20mA |
Corriente inversa | IR | - | - | 10 | ua | RV=5V |
·Curva característica electroóptica típica:
HIGO. 1 Corriente directa vs. voltaje directo HIGO. 2 Luminosidad relativa vs. Corriente directa

HIGO. 3 Voltaje directo vs. Temperatura HIGO. 4 Luminosidad relativa vs. Temperatura

HIGO. 5 Intensidad relativa vs. Longitud de onda
Lámpara LED de sombrero de paja blanca de 5 mm (LL553PW1M120-1500)
·Dimensiones del paquete
·Guía de selección
Número de pieza | Dados | Color de la lente | Iv(mcd)(SI=20mA) | Ángulo de visión (2θ½) | |||
Materia prima | Color emitido | MÍNIMO | TIPO | MÁXIMO | |||
LL553PW1M120-1500 | InGaN | Blanco | Lechoso | 1000 | 1500 | --- | 120º |
·Clasificaciones máximas absolutas (Ta = 25 ℃)
Artículo | Símbolo | Máximo | Unidad |
Disipación de energía | PD | 90 | mW |
Corriente directa máxima (1/10 ciclo de trabajo 0,1 ms de ancho de pulso) | IFP | 100 | mamá |
Corriente directa | IFmáx | 25 | mamá |
voltaje inverso | VR | 5 | V |
Descarga electrostática | ESD | 1000 | V |
Rango de temperatura de funcionamiento | Topr/Tstg | -40 a +85 ℃ | |
Rango de temperatura de almacenamiento | Topr/Tstg | -40 a +100 ℃ | |
NOTAS:
1. Todas las dimensiones están en milímetros (pulgadas);
2. La tolerancia es ±0,25 mm (0,01˝) a menos que se especifique lo contrario; La tolerancia de la intensidad luminosa es ±10%;
3. La tolerancia de longitud de onda de emisión dominante es de ±1 nm; Las especificaciones están sujetas a cambios sin previo aviso.
·Características Eléctricas/Ópticas(Ta=25Cº)
Artículo | Símbolo | Mín. | Tipo. | Máx. | Unidad | Condition |
Coordenadas | X | - | 0.31 | - | -- | SI=20mA |
Y | - | 0.30 | - | -- | SI=20mA | |
Temperatura de color | Connecticut | 5000 | 7000 | 9000 | K | SI=20mA |
voltaje directo | VF | - | 3.0 | 3.5 | V | SI=20mA |
Corriente inversa | IR | - | - | 10 | ua | RV=5V |
·Curva característica electroóptica típica:
HIGO. 1 Corriente directa vs. voltaje directo HIGO. 2 Luminosidad relativa vs. Corriente directa

HIGO. 3 Voltaje directo vs. Temperatura HIGO. 4 Luminosidad relativa vs. Temperatura

HIGO. 5 Intensidad relativa vs. Longitud de onda
·Perfiles de soldadura por ola recomendados:
Notas:
1.Se recomienda una temperatura de precalentamiento de 105 ℃ o menos (medida con un termopar
conectado a los pines del LED) antes de la inmersión en la onda de soldadura con un baño de soldadura máximo
temperatura de 260 ℃.
2. Temperatura máxima de soldadura por onda entre 245-255 ℃ durante 3 segundos (5 segundos como máximo).
3. No aplique tensión a la resina epoxi mientras la temperatura sea superior a 85 ℃.
4. Los accesorios no deben ejercer presión sobre el componente durante el proceso de montaje y soldadura.
No se permite realizar más de una soldadura por ola.
·Términos y condiciones para el uso de este documento.
1. La información incluida en este documento refleja escenarios de uso representativos y está destinada únicamente a referencia técnica.
2. El número de pieza, el tipo y las especificaciones mencionados en este documento están sujetos a futuros cambios y mejoras sin previo aviso. Antes del uso en producción, el cliente debe consultar la hoja de datos más reciente para obtener las especificaciones actualizadas.
3. Cuando utilice los productos a los que se hace referencia en este documento, asegúrese de que el producto esté funcionando dentro de los límites ambientales y eléctricos especificados en la hoja de datos. Si el uso del cliente excede los límites especificados, LITEKEY no será responsable de ningún problema posterior.
La información contenida en este documento se aplica al uso típico en aplicaciones de electrónica de consumo. Si la aplicación del cliente tiene requisitos de confiabilidad especiales o tiene responsabilidades que ponen en peligro la vida, como uso automotriz o médico, consulte con el representante de LITEKEY para obtener más ayuda.
1.Condiciones de almacenamiento:
a. Evite la exposición continua al ambiente de humedad condensada y mantenga el producto alejado de transiciones rápidas en la temperatura ambiente.
b. Los LED deben almacenarse a una temperatura ≤30 ℃ y una humedad relativa ≤60 %.
do. Se recomienda ensamblar el producto en el paquete original sellado dentro de las 72 horas posteriores a su apertura. El producto en paquete abierto durante más de una semana debe hornearse durante 30 (+10/-0) horas a 85-100 ℃.

4. Durante la formación de los cables, utilice herramientas o plantillas para sujetar los cables de forma segura de modo que la fuerza de flexión no se transmita a la lente LED y sus estructuras internas. No realice la formación de cables una vez que el componente se haya montado en la PCB (fig. ④).
5. No doble los cables más de dos veces. (figura ⑤)
6. Durante la soldadura, las cubiertas y los soportes de los componentes deben dejar espacio libre para evitar que se produzcan tensiones dañinas en el LED durante la soldadura.
7. Los LED de orificio pasante son incompatibles con la soldadura por reflujo.
8. Limpieza:
a. A temperatura ambiente, la limpieza debe realizarse únicamente con alcohol isopropílico durante un período no superior a un minuto cuando sea necesario. Secar a temperatura ambiente antes de usar.
b. No limpie los LED con ultrasonido. Cuando es absolutamente necesario, la influencia de la limpieza ultrasónica en los LED depende de factores como la potencia ultrasónica y el estado del montaje. La limpieza ultrasónica debe estar precalificada para garantizar que no cause daños al LED.
9. Otros:
a. Las especificaciones anteriores pueden cambiar sin previo aviso. LITEKEY se reservará la autoridad sobre cambios materiales para las especificaciones anteriores.
b. Al utilizar este producto, respete las clasificaciones máximas absolutas y las instrucciones de uso descritas en estas hojas de especificaciones. LITEKEY no asume ninguna responsabilidad por ningún daño resultante del uso del producto que no cumpla con las clasificaciones máximas absolutas y las instrucciones incluidas en estas hojas de especificaciones.
Estas hojas de especificaciones incluyen materiales protegidos por derechos de autor de LITEKEY COMPANY LIMITED. Por favor no reproduzca ninguna causa por parte de nadie para reproducirlos sin el consentimiento de LITEKEY.
·Perfiles de soldadura por ola recomendados:
Notas:
1.Se recomienda una temperatura de precalentamiento de 105 ℃ o menos (medida con un termopar
conectado a los pines del LED) antes de la inmersión en la onda de soldadura con un baño de soldadura máximo
temperatura de 260 ℃.
2. Temperatura máxima de soldadura por onda entre 245-255 ℃ durante 3 segundos (5 segundos como máximo).
3. No aplique tensión a la resina epoxi mientras la temperatura sea superior a 85 ℃.
4. Los accesorios no deben ejercer presión sobre el componente durante el proceso de montaje y soldadura.
No se permite realizar más de una soldadura por ola.
·Términos y condiciones para el uso de este documento.
1. La información incluida en este documento refleja escenarios de uso representativos y está destinada únicamente a referencia técnica.
2. El número de pieza, el tipo y las especificaciones mencionados en este documento están sujetos a futuros cambios y mejoras sin previo aviso. Antes del uso en producción, el cliente debe consultar la hoja de datos más reciente para obtener las especificaciones actualizadas.
3. Cuando utilice los productos a los que se hace referencia en este documento, asegúrese de que el producto esté funcionando dentro de los límites ambientales y eléctricos especificados en la hoja de datos. Si el uso del cliente excede los límites especificados, LITEKEY no será responsable de ningún problema posterior.
La información contenida en este documento se aplica al uso típico en aplicaciones de electrónica de consumo. Si la aplicación del cliente tiene requisitos de confiabilidad especiales o tiene responsabilidades que ponen en peligro la vida, como uso automotriz o médico, consulte con el representante de LITEKEY para obtener más ayuda.
1.Condiciones de almacenamiento:
a. Evite la exposición continua al ambiente de humedad condensada y mantenga el producto alejado de transiciones rápidas en la temperatura ambiente.
b. Los LED deben almacenarse a una temperatura ≤30 ℃ y una humedad relativa ≤60 %.
do. Se recomienda ensamblar el producto en el paquete original sellado dentro de las 72 horas posteriores a su apertura. El producto en paquete abierto durante más de una semana debe hornearse durante 30 (+10/-0) horas a 85-100 ℃.

4. Durante la formación de los cables, utilice herramientas o plantillas para sujetar los cables de forma segura de modo que la fuerza de flexión no se transmita a la lente LED y sus estructuras internas. No realice la formación de cables una vez que el componente se haya montado en la PCB (fig. ④).
5. No doble los cables más de dos veces. (figura ⑤)
6. Durante la soldadura, las cubiertas y los soportes de los componentes deben dejar espacio libre para evitar que se produzcan tensiones dañinas en el LED durante la soldadura.
7. Los LED de orificio pasante son incompatibles con la soldadura por reflujo.
8. Limpieza:
a. A temperatura ambiente, la limpieza debe realizarse únicamente con alcohol isopropílico durante un período no superior a un minuto cuando sea necesario. Secar a temperatura ambiente antes de usar.
b. No limpie los LED con ultrasonido. Cuando es absolutamente necesario, la influencia de la limpieza ultrasónica en los LED depende de factores como la potencia ultrasónica y el estado del montaje. La limpieza ultrasónica debe estar precalificada para garantizar que no cause daños al LED.
9. Otros:
a. Las especificaciones anteriores pueden cambiar sin previo aviso. LITEKEY se reservará la autoridad sobre cambios materiales para las especificaciones anteriores.
b. Al utilizar este producto, respete las clasificaciones máximas absolutas y las instrucciones de uso descritas en estas hojas de especificaciones. LITEKEY no asume ninguna responsabilidad por ningún daño resultante del uso del producto que no cumpla con las clasificaciones máximas absolutas y las instrucciones incluidas en estas hojas de especificaciones.
Estas hojas de especificaciones incluyen materiales protegidos por derechos de autor de LITEKEY COMPANY LIMITED. Por favor no reproduzca ninguna causa por parte de nadie para reproducirlos sin el consentimiento de LITEKEY.