| Estado de Disponibilidad: | |
|---|---|
| Cantidad: | |
LLS0805UR1UG1
LITEKEY
8541401000
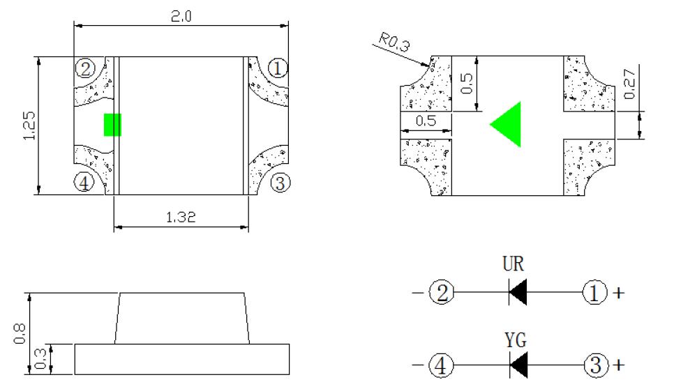
0805 LED de montaje en superficie de doble color ROJO-VERDE (LLS0805UR1UG1)
Dimensiones del paquete de DOBLE COLOR chip LED 0805
NOTAS:
1.Todas las dimensiones están en milímetros [unidad];
2.La tolerancia es ±0,1 mm(0,004') a menos que se especifique lo contrario;
3. Las especificaciones están sujetas a cambios sin previo aviso.
·Características
2,0*1,25*0,80mm
tipo monocolor
Métodos de soldadura: todos los métodos de montaje SMT.
Cumple con el estándar ROHS
Tipo de color dual.
Métodos de soldadura: todos los métodos de montaje SMT.
Cumple con el estándar ROHS.
Tamaño extremadamente pequeño (2x1,25x0,8 mm).
Rango de temperatura de funcionamiento desde -40°C a +85°C.
0805 huella estándar de la industria.
Muy adecuado para aplicación en dispositivos pequeños.
Rendimiento de alta confiabilidad.
Amplio ángulo de visión.
Superficie emisora superior plana.
·Descripción
Este doble color LED SMD 0805 están hechos con InGaN y InGaAIP en zafiro
Diodo emisor de luz.
Aplicación del chip LED 0805 ROJO-VERDE
Indicador óptico
Indicador y retroiluminación en teléfono y fax.
Retroiluminación plana para LCD, interruptor y símbolo.
Aplicación de tubo de luz
uso general
Número de pieza | Emitido Color | El color de Len | Material de las virutas |
LLS0805UR1UG1(0,80) | Red | Agua clara | InGaAIP |
Amarillo Verde | InGaAIP |
Clasificaciones máximas absolutas (Ta = 25 ℃)
Artículo | Símbolo | Máximo | Unidad | |
UR | UG | |||
Disipación de energía | PD | 75 | 75 | mW |
Corriente directa continua | IFmáx | 30 | 30 | mamá |
Corriente máxima directa(1/10 Ciclo de trabajo 0,1 ms de ancho de pulso) | IFP | 140 | 140 | mamá |
Rvoltaje inverso | VR | 5 | 5 | V |
Rango de temperatura de funcionamiento | Topr | -40 a +85 | ℃ | |
Rango de temperatura de almacenamiento | Tstg | -40 a +85 | ℃ | |
Dirigir Temperatura de soldadura | Tsol | Soldadura por reflujo: 260 ℃ durante 5 seg. Soldadura manual: 350 ℃ durante 3 seg. | ||
Características eléctricas/ópticas (Ta=25℃)
Artículo | Símbolo | Condition | Mín. | Tipo. | máx.. | Unidad | ||||
UR | UG | UR | UG | UR | UG | |||||
voltaje directo | VF | IF=20mA |
|
| --- | --- |
|
| V | |
Intensidad luminosa | IV | IF=20mA | 70 | 30 | --- | --- | 200 | 70 | mcd | |
Longitud de onda | ld | IF=20mA | 620 | 565 | -- | -- | 625 | 575 | Nuevo Méjico | |
Ángulo de visión | 2θ1/2 | IF=20mA | -- | -- | 120 | 120 | -- | -- | grados | |
Corriente inversa | IR | VR =5V | -- | -- | -- | -- | 10 | 10 | ua | |
Elementos de prueba de confiabilidad y condiciones de 0805 BLUE ChipLED
NO. | Artículo | Condición de prueba | Prueba Hr/ciclo/tiempo | Muestra cantidad | Acre |
1 | Reflujo | TEMPERATURA: 260 ± 5 ℃; Mín. 5 segundos | 6 minutos | 22 piezas | 0/1 |
2 | Ciclo de temperatura | Temperatura: +100 ℃ 15 minutos Hasta (5 minutos) L:-40 ℃ 15 minutos | 20 ciclos | 22 piezas | 0/1 |
3 | Choque térmico | Temperatura: +100 ℃ 15 minutos Hasta (5 minutos) L:-40 ℃ 15 minutos | 100 ciclos | 22 piezas | 0/1 |
4 | Temperatura alta Almacenamiento | TEMPERATURA: 85 ℃ | 1000 horas | 22 piezas | 0/1 |
5 | Baja temperatura Almacenamiento | TEMPERATURA: -40 ℃ | 1000 horas | 22 piezas | 0/1 |
6 | Vida operativa de CC | SI=20MA | 1000 horas | 22 piezas | 0/1 |
7 | Alta humedad | 85% HR | 1000 horas | 22 piezas | 0/1 |
Instrucciones de soldadura por reflujo SMT de SMD LED 0805
Notas:
1. Recomendamos una temperatura de reflujo de 245 ± 5 ℃. La temperatura máxima de soldadura debe limitarse a 260 ℃ durante 10 s (máx.).
2. No cause estrés a la resina epoxi mientras esté expuesta a altas temperaturas.
3. El número de procesos de reflujo será 2 veces o menos.
La producción del chip LED 0805:
0805 LED de montaje en superficie de doble color ROJO-VERDE (LLS0805UR1UG1)
Dimensiones del paquete de DOBLE COLOR chip LED 0805
NOTAS:
1.Todas las dimensiones están en milímetros [unidad];
2.La tolerancia es ±0,1 mm(0,004') a menos que se especifique lo contrario;
3. Las especificaciones están sujetas a cambios sin previo aviso.
·Características
2,0*1,25*0,80mm
tipo monocolor
Métodos de soldadura: todos los métodos de montaje SMT.
Cumple con el estándar ROHS
Tipo de color dual.
Métodos de soldadura: todos los métodos de montaje SMT.
Cumple con el estándar ROHS.
Tamaño extremadamente pequeño (2x1,25x0,8 mm).
Rango de temperatura de funcionamiento desde -40°C a +85°C.
0805 huella estándar de la industria.
Muy adecuado para aplicación en dispositivos pequeños.
Rendimiento de alta confiabilidad.
Amplio ángulo de visión.
Superficie emisora superior plana.
·Descripción
Este doble color LED SMD 0805 están hechos con InGaN y InGaAIP en zafiro
Diodo emisor de luz.
Aplicación del chip LED 0805 ROJO-VERDE
Indicador óptico
Indicador y retroiluminación en teléfono y fax.
Retroiluminación plana para LCD, interruptor y símbolo.
Aplicación de tubo de luz
uso general
Número de pieza | Emitido Color | El color de Len | Material de las virutas |
LLS0805UR1UG1(0,80) | Red | Agua clara | InGaAIP |
Amarillo Verde | InGaAIP |
Clasificaciones máximas absolutas (Ta = 25 ℃)
Artículo | Símbolo | Máximo | Unidad | |
UR | UG | |||
Disipación de energía | PD | 75 | 75 | mW |
Corriente directa continua | IFmáx | 30 | 30 | mamá |
Corriente máxima directa(1/10 Ciclo de trabajo 0,1 ms de ancho de pulso) | IFP | 140 | 140 | mamá |
Rvoltaje inverso | VR | 5 | 5 | V |
Rango de temperatura de funcionamiento | Topr | -40 a +85 | ℃ | |
Rango de temperatura de almacenamiento | Tstg | -40 a +85 | ℃ | |
Dirigir Temperatura de soldadura | Tsol | Soldadura por reflujo: 260 ℃ durante 5 seg. Soldadura manual: 350 ℃ durante 3 seg. | ||
Características eléctricas/ópticas (Ta=25℃)
Artículo | Símbolo | Condition | Mín. | Tipo. | máx.. | Unidad | ||||
UR | UG | UR | UG | UR | UG | |||||
voltaje directo | VF | IF=20mA |
|
| --- | --- |
|
| V | |
Intensidad luminosa | IV | IF=20mA | 70 | 30 | --- | --- | 200 | 70 | mcd | |
Longitud de onda | ld | IF=20mA | 620 | 565 | -- | -- | 625 | 575 | Nuevo Méjico | |
Ángulo de visión | 2θ1/2 | IF=20mA | -- | -- | 120 | 120 | -- | -- | grados | |
Corriente inversa | IR | VR =5V | -- | -- | -- | -- | 10 | 10 | ua | |
Elementos de prueba de confiabilidad y condiciones de 0805 BLUE ChipLED
NO. | Artículo | Condición de prueba | Prueba Hr/ciclo/tiempo | Muestra cantidad | Acre |
1 | Reflujo | TEMPERATURA: 260 ± 5 ℃; Mín. 5 segundos | 6 minutos | 22 piezas | 0/1 |
2 | Ciclo de temperatura | Temperatura: +100 ℃ 15 minutos Hasta (5 minutos) L:-40 ℃ 15 minutos | 20 ciclos | 22 piezas | 0/1 |
3 | Choque térmico | Temperatura: +100 ℃ 15 minutos Hasta (5 minutos) L:-40 ℃ 15 minutos | 100 ciclos | 22 piezas | 0/1 |
4 | Temperatura alta Almacenamiento | TEMPERATURA: 85 ℃ | 1000 horas | 22 piezas | 0/1 |
5 | Baja temperatura Almacenamiento | TEMPERATURA: -40 ℃ | 1000 horas | 22 piezas | 0/1 |
6 | Vida operativa de CC | SI=20MA | 1000 horas | 22 piezas | 0/1 |
7 | Alta humedad | 85% HR | 1000 horas | 22 piezas | 0/1 |
Instrucciones de soldadura por reflujo SMT de SMD LED 0805
Notas:
1. Recomendamos una temperatura de reflujo de 245 ± 5 ℃. La temperatura máxima de soldadura debe limitarse a 260 ℃ durante 10 s (máx.).
2. No cause estrés a la resina epoxi mientras esté expuesta a altas temperaturas.
3. El número de procesos de reflujo será 2 veces o menos.
La producción del chip LED 0805: